|
阅读提要:BFC型智能电动阀门控制器,又称智能电动阀门控制箱。按功能:基本型电动阀门控制器、PLC接口型电动阀门控制器;按结构型式:盘装式电动阀门控制器,壁挂式电动阀门控制器。
BFC型 智能电动阀门控制器
 |
 |
BFC型
(盘装式) |
BFC-G型
(壁挂式) |
1、BFC型智能电动阀门控制器 概述
* BFC(A)型电动阀门控制器是在原BFA型电动阀门控制器基础上重新开发的新一代智能型控制器。由于在控制器中采用了微处理器技术使得电动装置控制器的控制功能、对电动装置的保护功能及对不同厂家电动装置的适应能力有了显著的提高。同时降低了对安装调试人员的技术要求。
* BFC(C)型电动阀门控制器新增加了PLC计算机接口。在自控系统中计算机、PLC或自动化仪表可通过此接口得到电动阀门的工作状态 (无源触点)信号、电动阀门的阀位开度(4~20mA)电流信号,也可以通过这个接口发出“开阀”“关阀”(无源触点)信号,控制电动阀门的运动。由于PLC接口的加入,使含有电动阀门的自控系统提高了通用性、可靠性和抗干扰能力。
2、BFC型智能电动阀门控制器 特点
* 开度数字显示,零点满度自动设定。开、关到位、 外控/本机、力矩/保护LED显示。
* 按键音提示;开、关向出力矩保护及事故(电机过电流、电机过热、堵转等)保护声光报警(带消音功能)
* 开、关向工作过程闪光提示。
* 电源相序自动逻辑校正。
* BFC(C)型控制器,上位控制装置可透过PLC接口,以位式控制电动阀门的开与关。
* 外形及安装尺寸、外电路接线与前期产品完全兼容利于老用户产品更新换代。
3、BFC型智能电动阀门控制器 型号规格
| 型号规格
(盘装式) |
BFC-1A |
BFC-2A |
BFC-3A |
BFC-4A |
基本型 |
BFC-1C |
BFC-2C |
BFC-3C |
BFC-4C |
带PLC接口型 |
额定电流(A) |
1A |
5A |
10A |
16A |
|
适配功率(KW) |
0.15KW |
1.1KW |
2.2KW |
4KW |
|
注:壁挂式电动阀门控制器,型号规格标示,户内壁挂式-G1,户外壁挂式-G2,示例:
BFC-2A-G1型 户内壁挂式电动阀门控制器
BFC-2C-G2型 户外壁挂式电动阀门控制器,带PLC接口。
4、BFC型智能电动阀门控制器 技术数据
* 电源电压:220V/50Hz (单相)/ 380V/50Hz(三相四线)
* 输出信号:位式(无源触点)1=ON;0=OFF。
* 输出:4~20mA,阀门位置电流精度1%;负载能力600Ω。
* 工作环境:
环境温度-10~+40℃,
相对湿度≤80%(20℃±5℃),
周围不含有强腐蚀性、易燃易爆介质。
* 外形尺寸:盘装式160*80*240(开孔尺寸152*76);户内壁挂式360*250*160;户外壁挂式430*300*250。
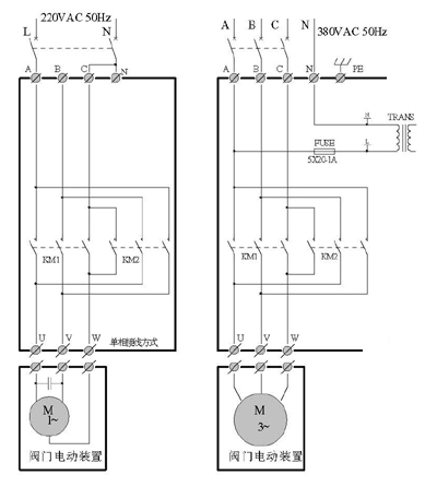
5、BFC(A)型智能电动阀门控制器 外接线图例

6、BFC(C)型智能电动阀门控制器 外接线图例

其中,25孔PC接线口:

7、BFC型智能电动阀门控制器 外型尺寸图(单位mm)

8、BFC型智能电动阀门控制器 220VAC应用

|